在做核磁共振时听到机器里有不同的声音,可以听出声音的振动频率时不同的,所以说这个和核磁共振的成像原理有什么关系?
按票数排序按时间排序
[PDF]
bose info
校所別:國立台北科技大學有機高分子研究所. 畢業時間:九十九學 ... 結果飛行時間質譜儀之鑑定可以發現到,其可協助排除樹枝狀高分在核磁共. 振儀圖譜之干擾,且 ...
利用這樣的過程,我們可以進行分子科學的研究,如分子結構,動態等。 .... 对于有机 分子结构测定来说,核磁共振谱扮演了非常重要的角色,核磁共振谱与紫外光谱、 ...
基本信息有机分子结构光谱鉴定作者: 赵瑶兴孙祥玉出版社: 科学出版社出版日期: ... 前5章分别阐述红外光谱、紫外-可见光谱、核磁共振(1H和13C)及有机质谱的 ...
本书以有机化合物的结构鉴定为目的,分别系统介绍了紫外光谱、红外光谱、核磁 共振波谱和质谱的谱图解析方法,最后还重点介绍了如何利用四种波谱数据所提供的 ...
《中国科学院研究生教学丛书•有机分子结构光谱鉴定(第2版)》共六章。前五章分别阐述有机质谱、红外光谱、紫外-可见光谱和核磁共振(1H和13C)的特点及其在分子 结构 ...
找到与"某化合物的结构式(键线式)及球棍模型如下:该有机分子的核磁共…"相似的题目. 下列化合物的核磁共振氢谱中出现三组峰的是. [ ]. A. 2,2,3,3-四甲基丁烷
[PDF]
bose info
"额外施加电磁场来干涉低能态的核自旋转向高能态,再回到平衡态便会释放出射频,这就是NMR讯号。利用这样的过程,我们可以进行分子科学的研究,如分子结构,动态等。"
using DAMA music inspired dancing as an example, very good, and most 分子 we are talking about here are 有机分子: because 磁场 penetrates 有机分子, where 电场 often fails as we know
using DAMA music inspired dancing as an example, very good, and most 分子 we are talking about here are 有机分子: because 磁场 penetrates 有机分子, where 电场 often fails as we know
有機高分子研究所碩士學位論文樹枝狀高分子分子量鑑定及 ...
ir.ntut.edu.tw/ir/retrieve/34401/ntut-100-98518515-1.pdf
核磁共振- 维基百科,自由的百科全书
zh.wikipedia.org/zh-hk/核磁共振
轉為繁體網頁
轉為繁體網頁
有机分子结构光谱鉴定_百度百科
baike.baidu.com/view/6443884.htm
轉為繁體網頁
轉為繁體網頁
有机分子结构波谱解析_百度百科
baike.baidu.com/view/5254013.htm
轉為繁體網頁
轉為繁體網頁
有机分子结构光谱鉴定(豆瓣) - 豆瓣读书
book.douban.com/subject/4236337/
轉為繁體網頁
轉為繁體網頁
(键线式)及球棍模型如下:该有机分子的核磁共振氢 ... - 课堂屋
www.ketangwu.com/html/tests/77/201312/441942/1.html
轉為繁體網頁
轉為繁體網頁
3 个回答
知乎用户、知乎用户、Franklin Li 等人赞同
我现在在微尺度国家实验室做NMR,主要研究superconductor。我自己还编写了一整套测量分析软件:实验室NMR系列软件
资料主要来源于wiki和Spin Dynamics及The Principles of Nuclear Magnetism两本书,我做一点解释
1、核磁共振原理
——————————————————————————
核磁共振(NMR,Nuclear Magnetic Resonance)是基于原子尺度的量子磁物理性质。具有奇数质子或中子的核子,具有内在的性质:核自旋,自旋角动量。核自旋产生磁矩。NMR观测原子的方法,是将样品置于外加强大的磁场下,现代的仪器通常采用低温超导磁铁。核自旋本身的磁场,在外加磁场下重新排列,大多数核自旋会处于低能态。我们额外施加电磁场来干涉低能态的核自旋转向高能态,再回到平衡态便会释放出射频,这就是NMR讯号。利用这样的过程,我们可以进行分子科学的研究,如分子结构,动态等。
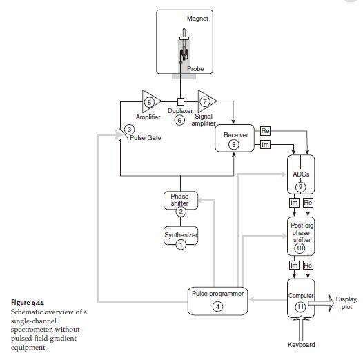
整个测量系统的示意图:

下面我从经典图像解释
首先 你要知道具有磁矩的粒子在磁场中会进动,如图:
这个进动频率是可以通过B,gyromagnetic ratio计算的。
而且你先加上磁场,则磁矩会沿着你的磁场排列
这时你加一个pi/2的pulse(相当于在bloch球上把一个纯态变成叠加态),可以将其朝向转向
之后它就会进动(因为你的B还加在Z轴上)
若此时样品在一个线圈内。线圈就会感应到这个进动的信号
这时通过对这个信号进行分析(如衰减速度、做FFT后的频率分布等等),就可以得到很多样品的性质。
如果一开始加的磁场是一个梯度场,就可以达到成像的目的(因为样品各处B不同,因此频率不同,分布在谱图中的不同部分),但是我认为NMR最大的优势不在成像。(或者说成像只是一个副产品,比如我们可以用NMR来测量一个样品是否为topological insulator)
这其中还有很多细节,因为是科普性质,我都略去了,感兴趣的可以看我一开始说的那两本书。
至于题主说的声音的振动频率,一般来说核磁的信号一个人类应该是听不到的。你听到的应该是机器噪声
2、噪声来源
——————————————————————————————————
刚才已经说了,要成像需要一个梯度场
这个噪音就来自于梯度场的变化:核磁共振检查噪声源于何处?
梯度场:在磁共振成像中用到的磁场包括两个成分,一是主磁场,在空间均匀分布,是产生磁共振信号的基本条件。二 是梯度场,强度随空间位置不同而变化,用于定位不同人体组织的位置。主磁场由永磁体或超导线圈产生,不随时间变化。梯度场由梯度线圈产生,扫描过程中随时 间变化。根据电磁感应定律,在线圈中通电流I产生相应的磁场B。如果I随时间变化,即产生相应的变化的磁场,当需要梯度切换(梯度场变化) 时,改变梯度线圈中的电流I即可。
梯度线圈的受力:一般情况下,梯度线圈位于主磁场内,由于线圈中通有电流,根据Fleming左手定律,线圈中 的金属丝受洛伦兹力的作用。当电流I急剧变化时,金属丝受力也相应变化,从而产生剧烈的震动,这就是梯度场切换产生的噪声源。一般说来,同一系统, 要求梯度场做快速切换的扫描程序如EPI产生的噪声比其他扫描要大。不同系统,梯度场越强,切换性能越好,噪声越大。
噪声源的扩散:有两种扩散路径,一、空气传播,二、固体接触扩散。噪声由梯度线圈经过这两种扩散方式或者直接传到受检查的病人耳朵里,或者引起别的部件震动,产生新的噪声源,再传入人耳朵里。
噪声的抑制:根据噪声的产生以及噪声源的传播方式,许多公司在其中高档机型中都采用了静音技术,如西门子的AudioComfort技术,GE公司在其双梯度系统中使用的真空隔绝层硬件静音技术,以及东芝公司的Pianissimo静音技术。
——————————————————————————————————
第一次写这么长的答案,给个辛苦赞吧(捂脸
——————————————————————————————————
Reference
——————————————————————————————————
Malcolm H. Levitt, Spin Dynamics
Marshall, The Principles of Nuclear Magnetism
张虎军, 核磁共振检查噪声源于何处? 显示全部
资料主要来源于wiki和Spin Dynamics及The Principles of Nuclear Magnetism两本书,我做一点解释
1、核磁共振原理
——————————————————————————
核磁共振(NMR,Nuclear Magnetic Resonance)是基于原子尺度的量子磁物理性质。具有奇数质子或中子的核子,具有内在的性质:核自旋,自旋角动量。核自旋产生磁矩。NMR观测原子的方法,是将样品置于外加强大的磁场下,现代的仪器通常采用低温超导磁铁。核自旋本身的磁场,在外加磁场下重新排列,大多数核自旋会处于低能态。我们额外施加电磁场来干涉低能态的核自旋转向高能态,再回到平衡态便会释放出射频,这就是NMR讯号。利用这样的过程,我们可以进行分子科学的研究,如分子结构,动态等。
整个测量系统的示意图:

下面我从经典图像解释
首先 你要知道具有磁矩的粒子在磁场中会进动,如图:
这个进动频率是可以通过B,gyromagnetic ratio计算的。而且你先加上磁场,则磁矩会沿着你的磁场排列
这时你加一个pi/2的pulse(相当于在bloch球上把一个纯态变成叠加态),可以将其朝向转向
之后它就会进动(因为你的B还加在Z轴上)
若此时样品在一个线圈内。线圈就会感应到这个进动的信号
这时通过对这个信号进行分析(如衰减速度、做FFT后的频率分布等等),就可以得到很多样品的性质。如果一开始加的磁场是一个梯度场,就可以达到成像的目的(因为样品各处B不同,因此频率不同,分布在谱图中的不同部分),但是我认为NMR最大的优势不在成像。(或者说成像只是一个副产品,比如我们可以用NMR来测量一个样品是否为topological insulator)
这其中还有很多细节,因为是科普性质,我都略去了,感兴趣的可以看我一开始说的那两本书。
至于题主说的声音的振动频率,一般来说核磁的信号一个人类应该是听不到的。你听到的应该是机器噪声
2、噪声来源
——————————————————————————————————
刚才已经说了,要成像需要一个梯度场
这个噪音就来自于梯度场的变化:核磁共振检查噪声源于何处?
梯度场:在磁共振成像中用到的磁场包括两个成分,一是主磁场,在空间均匀分布,是产生磁共振信号的基本条件。二 是梯度场,强度随空间位置不同而变化,用于定位不同人体组织的位置。主磁场由永磁体或超导线圈产生,不随时间变化。梯度场由梯度线圈产生,扫描过程中随时 间变化。根据电磁感应定律,在线圈中通电流I产生相应的磁场B。如果I随时间变化,即产生相应的变化的磁场,当需要梯度切换(梯度场变化) 时,改变梯度线圈中的电流I即可。
梯度线圈的受力:一般情况下,梯度线圈位于主磁场内,由于线圈中通有电流,根据Fleming左手定律,线圈中 的金属丝受洛伦兹力的作用。当电流I急剧变化时,金属丝受力也相应变化,从而产生剧烈的震动,这就是梯度场切换产生的噪声源。一般说来,同一系统, 要求梯度场做快速切换的扫描程序如EPI产生的噪声比其他扫描要大。不同系统,梯度场越强,切换性能越好,噪声越大。
噪声源的扩散:有两种扩散路径,一、空气传播,二、固体接触扩散。噪声由梯度线圈经过这两种扩散方式或者直接传到受检查的病人耳朵里,或者引起别的部件震动,产生新的噪声源,再传入人耳朵里。
噪声的抑制:根据噪声的产生以及噪声源的传播方式,许多公司在其中高档机型中都采用了静音技术,如西门子的AudioComfort技术,GE公司在其双梯度系统中使用的真空隔绝层硬件静音技术,以及东芝公司的Pianissimo静音技术。
——————————————————————————————————
第一次写这么长的答案,给个辛苦赞吧(捂脸
——————————————————————————————————
Reference
——————————————————————————————————
Malcolm H. Levitt, Spin Dynamics
Marshall, The Principles of Nuclear Magnetism
张虎军, 核磁共振检查噪声源于何处? 显示全部
bai li、Franklin Li、知乎用户 等人赞同
这主要是讲给非影像学的了解成像原理,专业术语不那么严谨。
首先要明白几点事情,人体都是由原子构成的。每个原子都有自己的震动频率,即,可认为它们都是在哆嗦着。每个原子由于电子环绕,故都可看成个小磁铁。人体内水的含量最多,水含有氢原子。磁共振主要依靠氢原子来成像。
平常,人体氢原子都是杂乱无序的哆嗦着,由于各方向磁性抵消,人体整体不体现磁性。如同跳舞场大妈,在开始前热身运动,各干各的,朝向四面八方,没啥规律。当把人体置于一个强的外磁场中,氢原子仍按自己频率震动,但方向为与外界磁场保持一致,整体上体现磁性。如同,音乐一响,大妈们立即面朝音响站好,这时整体方向是面向音响那里的。此时大妈仍旧按自己的情况哆嗦着,呃,跳着舞。
此时我们加入一个射频脉冲,那么与射频脉冲频率相同的氢原子就产生共振,那么它可能震动幅度大了,方向变了,其它氢原子因为没有共振所以改变很小。当这个射频脉冲消失后,这些共振的氢原子会慢慢再恢复到原来方向和幅度。这个恢复复过程就会有信号发射出来。我们检测这个信号,就可以画出人体图像。
搁大妈身上,该这么形容:你站在大妈方阵的前面大喊:“ ×××!你给我跳起来!”于是听到的大妈一下蹦起来!在大妈蹦起的这一瞬间,你就得到了这个大妈的信息,长相,衣服......你挨个叫大妈跳一边就得到全部的信息了,广场大妈信息图你终于得到了。对,你就是那个射频脉冲!对!那个噪音的产生,有你的一份力量。
---------------------------有点深入的分割线--------------
话是这么说,哪有这么简单。现在有个关键问题,得到的信号,我怎么知道它是哪个位置的。
磁共振图像一般512*512像素。需要知道每一个像素的值才能画出一幅断面图像,一个部位可能需要几百个甚至上千个断面图像。确定一个像素在图像的位置,需要知道坐标X,Y。确定断层图像在人体的位置,还需要知道一个Z。
所以首先我要确定这个图像所在的层面(坐标Z),然后确定像素它在这层面的位置(坐标X,Y)。此时,我们使用了三个梯度磁场。这三个磁场是线性均匀变化的,虽然相对于主磁场来说很小。通过Z轴梯度磁场的不同,我们可以确定层面,比如当前层面正好通过眼角。通过XY轴不同,我们就确定层面上的位置。此时就可以知道这个信号具体是哪个位置了。逐个画出就得到想要的图像了。
请大妈出来再演示一下。
当你站在大妈前喊时,有个问题没解决。怎么喊?你不知道名字啊。这个时候就得给大妈们站队定个规则了。比如按身高从低到高先前后排好,然后按胖瘦从从左到右排好。这个时候你就可以喊:“165高,60公斤的跳起来看看!”诺,现在你按身高体重画好坐标抽,在相应位置写上你看到的大妈,就得到一个精确位置的值了。让每个大妈跳一边,你就可以画出整个图了。
其实,还有一个坐标,广场大妈跳舞是平面的。人体是立体的。就是说大妈头顶还有一层大妈.......大妈总是很神奇的。其实把这个坐标也按一定规律比如头发长短排序就好了。
扣一下问题,在这个阵型变化当中,就产生梯度场噪音。
好不容易想了这么一出戏,看看非专业能不能明白。
首先要明白几点事情,人体都是由原子构成的。每个原子都有自己的震动频率,即,可认为它们都是在哆嗦着。每个原子由于电子环绕,故都可看成个小磁铁。人体内水的含量最多,水含有氢原子。磁共振主要依靠氢原子来成像。
平常,人体氢原子都是杂乱无序的哆嗦着,由于各方向磁性抵消,人体整体不体现磁性。如同跳舞场大妈,在开始前热身运动,各干各的,朝向四面八方,没啥规律。当把人体置于一个强的外磁场中,氢原子仍按自己频率震动,但方向为与外界磁场保持一致,整体上体现磁性。如同,音乐一响,大妈们立即面朝音响站好,这时整体方向是面向音响那里的。此时大妈仍旧按自己的情况哆嗦着,呃,跳着舞。
此时我们加入一个射频脉冲,那么与射频脉冲频率相同的氢原子就产生共振,那么它可能震动幅度大了,方向变了,其它氢原子因为没有共振所以改变很小。当这个射频脉冲消失后,这些共振的氢原子会慢慢再恢复到原来方向和幅度。这个恢复复过程就会有信号发射出来。我们检测这个信号,就可以画出人体图像。
搁大妈身上,该这么形容:你站在大妈方阵的前面大喊:“ ×××!你给我跳起来!”于是听到的大妈一下蹦起来!在大妈蹦起的这一瞬间,你就得到了这个大妈的信息,长相,衣服......你挨个叫大妈跳一边就得到全部的信息了,广场大妈信息图你终于得到了。对,你就是那个射频脉冲!对!那个噪音的产生,有你的一份力量。
---------------------------有点深入的分割线--------------
话是这么说,哪有这么简单。现在有个关键问题,得到的信号,我怎么知道它是哪个位置的。
磁共振图像一般512*512像素。需要知道每一个像素的值才能画出一幅断面图像,一个部位可能需要几百个甚至上千个断面图像。确定一个像素在图像的位置,需要知道坐标X,Y。确定断层图像在人体的位置,还需要知道一个Z。
所以首先我要确定这个图像所在的层面(坐标Z),然后确定像素它在这层面的位置(坐标X,Y)。此时,我们使用了三个梯度磁场。这三个磁场是线性均匀变化的,虽然相对于主磁场来说很小。通过Z轴梯度磁场的不同,我们可以确定层面,比如当前层面正好通过眼角。通过XY轴不同,我们就确定层面上的位置。此时就可以知道这个信号具体是哪个位置了。逐个画出就得到想要的图像了。
请大妈出来再演示一下。
当你站在大妈前喊时,有个问题没解决。怎么喊?你不知道名字啊。这个时候就得给大妈们站队定个规则了。比如按身高从低到高先前后排好,然后按胖瘦从从左到右排好。这个时候你就可以喊:“165高,60公斤的跳起来看看!”诺,现在你按身高体重画好坐标抽,在相应位置写上你看到的大妈,就得到一个精确位置的值了。让每个大妈跳一边,你就可以画出整个图了。
其实,还有一个坐标,广场大妈跳舞是平面的。人体是立体的。就是说大妈头顶还有一层大妈.......大妈总是很神奇的。其实把这个坐标也按一定规律比如头发长短排序就好了。
扣一下问题,在这个阵型变化当中,就产生梯度场噪音。
好不容易想了这么一出戏,看看非专业能不能明白。
No comments:
Post a Comment